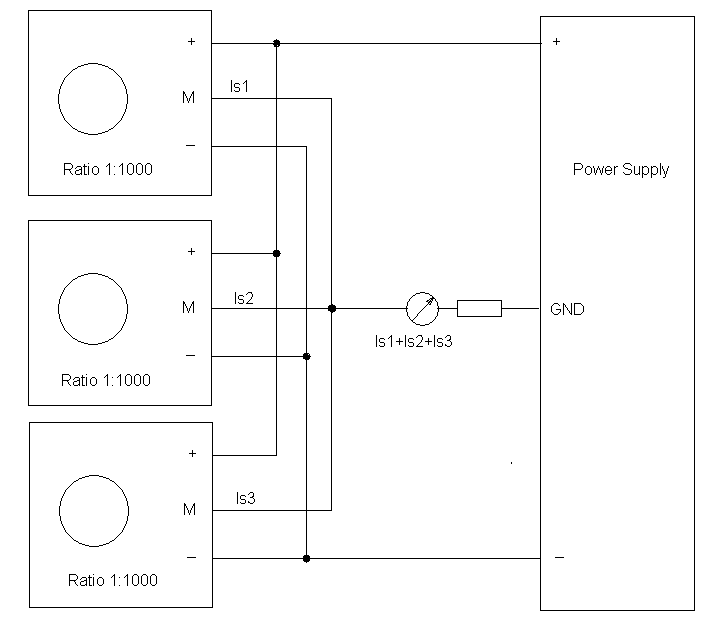
测DC大电流,没有大量程传感器如何分路测量并汇总电流大小?
采用同样匝数比(变比,Ratio)的电流传感器,分别测量各个分路电流,输出电流信号Is流过同一个电流表(或负载电阻),其总电流等于三个电流传感器输出的总电流,通过公式(Is1+Is2+Is3)* 匝比=原边被测Ip即可测出总电流。
示意图如下:
通过实际测试(所测电流为直流电流),可以通过此种方法达到如标题的效果。
但如果所测电流为交流,本试验并没有进行详细测试,并不建议采用此种方案。
上一篇:真有效值电流变送器有没有两线制输出的? 下一篇:如何判断互感器的匝数是否相同(一致性)?
【推荐阅读】
- 2020-03-30电加热行业应如何选用合适的电流传感器?
- 2020-03-30如何在实验室简单实现半波电流的波形?
- 2020-03-27怎样测量半波整流波形,即脉冲直流电流的有效值大小?
- 2020-01-10LT100-P/SP42是一款什么产品,有没有替代品?
- 2019-11-12如何判断闭环霍尔电流传感器的断电或断线状态?
- 2019-08-02电磁加热设备(中高频加热电源)用什么电流传感器合适?
责任编辑:柏艾斯编辑部
版权所有:http://www.passiontek.com.cn 转载请注明出处
本文标签:电流变送器 电流传感器 电压传感器 电压变送器 功率变送器 罗氏线圈
热点聚焦
24小时定制电话:010-89494921






