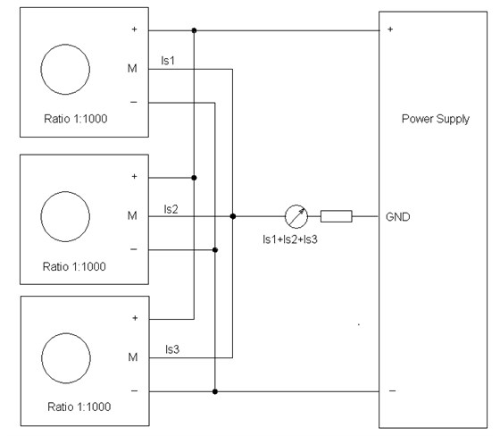
采用同样匝数比(变比,Ratio)的电流传感器,分别测量各个分路电流,输出电流信号Is流过同一个电流表(或负载电阻),其总电流等于三个电流传感器输出的总电流,通过公式(Is1+Is2+Is3)* 匝比=原边被测Ip即可测出总电流。
示意图如下:
通过实际测试(所测电流为直流电流),可以通过此种方法达到如标题的效果。
但如果所测电流为交流,本试验并没有进行详细测试,并不建议采用此种方案。
可信赖的电量隔离测量方案供应商24小时定制电话:010-89494921
2017-11-09 09:10:20
采用同样匝数比(变比,Ratio)的电流传感器,分别测量各个分路电流,输出电流信号Is流过同一个电流表(或负载电阻),其总电流等于三个电流传感器输出的总电流,通过公式(Is1+Is2+Is3)* 匝比=原边被测Ip即可测出总电流。
示意图如下:
通过实际测试(所测电流为直流电流),可以通过此种方法达到如标题的效果。
但如果所测电流为交流,本试验并没有进行详细测试,并不建议采用此种方案。
电加热行业应如何选用合适的电流传感器?如何在实验室简单实现半波电流的波形?怎样测量半波整流波形,即脉冲直流电流的有效值大小?LT100-P/SP42是一款什么产品,有没有替代品?如何判断闭环霍尔电流传感器的断电或断线状态?