闭环电流传感器在UPS上的应用
关键字:UPS 不间断电源 闭环霍尔电流传感器
前言:介绍了基于霍尔闭环原理, UPS的原理及分类,霍尔电流传感器在UPS中的作用及如何选用霍尔电流传感器。
1 UPS应用及分类
1.1 UPS作为英文缩写有很多含义,电源类UPS的中文意思为“不间断电源”,是英语“Uninterruptible Power Supply”的缩写。为了保证任何情况下的正常供电,许多重要场合除工业电网正常供电外,还都需要配备不间断供电设备。UPS电源是保障供电稳定和连续性的重要设备,其主机智能化程度高,储能部分采用免维护蓄VRLA电池。
伊顿UPS 重要的机房都需要UPS保护
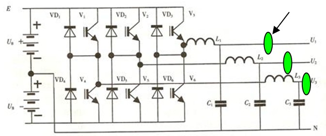
2 UPS的原理
在线式UPS原理图
电能的存储单元是一组或多组并联的蓄电池组,在市电切断的情况下迅速通过DC/AC逆变器输出电流给负载。输入的市电往往因为电网干扰的问题,并不是非常标准的正弦波形,而经过UPS的AC/DC/AC双变换以后就可以输出非常纯净的正弦波形了。
3.1 霍尔效应及霍尔器件
霍尔效应是霍尔技术应用的理论基础,当通有小电流的半导体薄片置于磁场中时(如图1),半导体内的载流子受洛伦兹力的作用发生偏转,使半导体两侧产生电势差,该电势差即为霍尔电压VH,VH与磁感应强度B及控制电流IC成正比,经过理论推算有式(1)关系。
VH=(RH/d)×B×IC(1)式中:B为磁感应强度;IC为控制电流;RH为霍尔系数;d为半导体厚度。
式(1)中,若保持控制电流IC不变,在一定条件下,可通过测量霍尔电压推算出磁感应强度的大小,由此建立了磁场与电压信号的联系。根据这一关系式,人们研制出了用于测量磁场的半导体器件,即霍尔器件。

霍尔效应原理 霍尔闭环电流传感器原理
当原边电流Ip穿过带有气隙的聚磁环,放在气隙中的霍尔元件会检测到与电流大小成比例关系的磁通,并输出小电压信号,该电压信号被放大器后驱动副绕组,该绕组形成的磁通与原边电流形成的磁通正好矢量和为零,此时副边线圈的Is电流能真实的反映原边电流的波形及大小,Is=Ip/N ,N为副边绕组的匝数。
开环霍尔电流传感器的应用很广泛,主要是有以下几个重要特点:1.反应快 ,小于1uS,2.精度高 3.低温漂4.线性度好
闭环电流传感器外形
4. 霍尔闭环传感器在UPS中的应用
闭环霍尔电流传感器被用于测量输出的电流,UPS控制器根据此电流进行反馈和保护。
5 结束语
越来越多的场合需要用电的绝对安全,比如半导体芯片制造行业,化工过程控制,信息指挥中心等,这些场合也会越来越多的选择高可靠性的UPS做为后备电源。PAS闭环电流传感器以优异的性能,比如低温漂,反应速度快,线性度高,高精确度等特点被越来越多的UPS厂家所使用,成为和IGBT一样的电力电子系统的核心产品。
上一篇:一种判断真有效值电流变送器真伪的简单方法 下一篇:如何解决霍尔电流传感器在高频整流电源应用中发热的问题
- 2022-10-21专用的蓄电池监控电流传感器
- 2020-03-19变频器负载如何做电流过载保护?
- 2020-02-10磁通门高压电压传感器FV家族又添新成员
- 2019-12-31柏艾斯科技推出非接触式交流测量微安表(AC uA-Meter)
- 2019-10-24柏艾斯科技推出基于罗氏线圈技术的真有效值电流变送器
- 2019-09-06磁通门电流传感器在直流电源系统有源逆变电网回馈装置中的应用
责任编辑:柏艾斯编辑部
版权所有:http://www.passiontek.com.cn 转载请注明出处
本文标签:电流变送器选型 电流变送器型号 电压传感器原理
热点聚焦
24小时定制电话:010-89494921






