一种安全可靠的测量静电除尘装置中直流母线电压的方案
关键字:静电除尘,直流母线电压,光电隔离电压传感器
本文介绍了基于光电隔离芯片HCNR201的直流电压传感器在静电除尘中装置中直流母线电压的测量经验。由于采用了光电隔离原理,这种测量方案具有高抗干扰的特性,实践证明运行稳定可靠,具有其他原理不具有的优点。
1、引言
我国多年的粗放发展导致了严重的空气污染,在节能减排的巨大任务压力下,大量未进行改造的烟尘排放企业急于找到有效的解决烟尘污染的方案。在这些方案中,静电除尘技术因其可靠性高,有效性好的特点被广泛采用。
烟尘被强制通过具有高压直流电场的正负极板之间,带有负电荷的烟尘被吸附在阳极的极板上,通过定时敲打或自重落地,烟尘被可靠收集在位于装置下方的容器内,从而在静电除尘设备的出口排出不带灰尘的清洁空气。
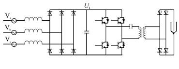
老式的静电除尘装置采用的是工频电源装置,因其耗材多,损耗大,效率低,功率因数低等缺点已很少被采用,而是采用新式的高频电源设备。现代的静电除尘装置中,最核心的是其高频电源。按照功能,高频电源主要由交流电抗器、整流电路、IGBT全桥逆变、高频升压器和高压整流硅堆组成,如图
直流母线电压U1的准确可靠测量关系到整个系统的安全。传统的采用霍尔电压传感器的测量方法存在种种缺点,比如精度低,抗dv/dt干扰能力差,温漂显著、低电压时误差大等。因此有必要找到一种隔离性能好,抗干扰能力强,线性度和精度高,可靠性和稳定性好的测量方案,以取代不稳定的测量方案。
电除尘设备使用现场 电除尘设备的升压装置及控制单元
2、直流电压传感器GDU1-C51的工作原理
GDUI-C51直流电压传感器 直流电压传感器GDUI-C51原理图
GDU1-C51采用高性能工业级线性光电耦合器HCNR201芯片,测量经电阻网络分压后的电压,然后调整成适当的信号输出,如DC0-5V,0-10V,4-20mA等。 因基于线性光电隔离原理,该传感器已经在大量现场干扰严重的场合(比如高压放电,电火花机床等)得到应用,表现出良好的适应性。该传感器完全替代霍尔原理的电压传感器后,其温漂、抗干扰能力、小电压测量能力等均表现优异。
3、直流电压变送器GDU1-C51的特点
该直流电压传感器由于采用了先进的线性光电耦合芯片,整体可靠性很高,具有优异的性能,特点如下:
1.采用线性光电隔离技术,实现了高抗干扰能力和高可靠性。
2.直流0-1000V测量范围
3.高线性度和精度.
4.集成化程度高,可选择多种输出.
5.体积小,牢固可靠,导轨安装
4、 结束语
在高干扰的环境中,电压测量尤其不易,要求电压传感器具有很高的抗干扰能力和高可靠性,并要有足够的隔离能力。基于线性光电耦合原理的GDU1-C51系列电压传感器,因天然具有的高抗干扰能力,高可靠性,多年来已经在高压静电除尘行业大量应用,表现优异。
上一篇:开关量电流变送器在游乐设备中的应用 下一篇:真有效值(TRMS)电流变送器在玻璃加工行业的应用
- 2022-10-21专用的蓄电池监控电流传感器
- 2020-03-19变频器负载如何做电流过载保护?
- 2020-02-10磁通门高压电压传感器FV家族又添新成员
- 2019-12-31柏艾斯科技推出非接触式交流测量微安表(AC uA-Meter)
- 2019-10-24柏艾斯科技推出基于罗氏线圈技术的真有效值电流变送器
- 2019-09-06磁通门电流传感器在直流电源系统有源逆变电网回馈装置中的应用
责任编辑:柏艾斯编辑部
版权所有:http://www.passiontek.com.cn 转载请注明出处
本文标签:电流变送器选型 电流变送器型号 电压传感器原理
热点聚焦
24小时定制电话:010-89494921






