可信赖的电量隔离测量方案供应商24小时定制电话:010-89494921

首页 技术问答

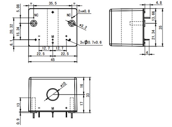
LT100-P/SP42是一款什么产品,有没有替代品?

2020-01-10 10:42:06 

LT100-P/SP4是非常早期的一款产品,是一款基于闭环霍尔原理的电流传感器,但在温度特性等方面做了优化。 目前已经停产多年,因为国内用量很小,替代品并不多见。

柏艾斯有全面系列化的霍尔电流传感器、磁通门电流传感器等产品,能够替代LT100-P/SP42的产品是HIA-C08系列,从电气性能以及引脚兼容性上做到了无差别替代,只为部分国内用户提供持续的产品供应。

1 FIA-C08_452x452

2

3

更多创新产品,请登录www.passiontek.com.cn了解,或联系技术支持,010-89494921,或QQ625291082。

网友热评