可信赖的电量隔离测量方案供应商24小时定制电话:010-89494921

首页 技术问答

风电制氢及技术要求

2020-09-11 12:23:29 

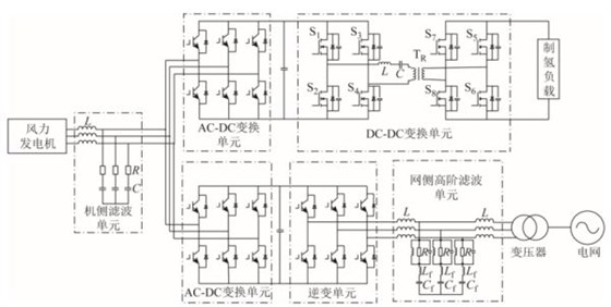
风电制氢系统主要由风力发电机组、电解水装置、储氢装置、燃料电池、电网等组成。如图1为风电制氢系统吸纳风电弃风量示意图,上半部分为弃风制氢部分,下半部分为风电并网部分。在风电并网部分,风电经过低阶滤波单元、AD-DC整流变换单元、逆变和高阶的滤波单元,将风电的谐波滤去,产生达到并网需求的高质量电能,经由升压变压器为电网供电;在弃风制氢部分,风电被滤波后经过AD-DC整流变换单元,将交流电转换为直流电,再经过直流支撑电路接入DC-DC电路,将直流电进行降压或升压处理,使直流电变换为可以制氢的电能,进而制氢。在此过程中,北京柏艾斯的高精度电流传感器可以精确的测量直流电的大小。风电并网侧与制氢侧应进行合理的功率分配,在风电满足电网需求的前提下,剩余的风能进行制氢,做到能源的最大利用。

风电

1.风电制氢技术类型


(1)离/并网型风电制氢


根据风电来源的不同,风电制氢技术分为并网型风电制氢和离网型风电制氢。


——并网型风电制氢,是指将风电机组接入电网,从电网取电的制氢方式,比如从风场的 35kV或220kV电网侧取电,进行电解水制氢,主要应用于大规模风电场的弃风消纳和储能。由于与电网相连,单机容量较大。


——离网型风电制氢,是指将单台或多台风机所发的电能,不经过电网直接提供给电解水制氢设备进行制氢,主要应用于分布式制氢或局部应用于燃料电池发电供能。由于独立于电网运行,单机容量较小。


(2)碱性/质子交换膜/固体氧化物电解水制氢


根据电解水制氢技术的不同,风电制氢技术分为:碱性(ALK)电解水制氢、质子交换膜(PEM)电解水制氢和固体氧化物(SOE)电解水制氢。


——碱性(ALK)电解水制氢,是以KOH、NaOH等碱液为电解质,如采用石棉布等作为隔膜,在直流电的作用下,水电解生成氢气和氧气。


——质子交换膜(PEM)电解水制氢,是指应用质子交换膜(PEM)替代隔膜,传导质子,并隔绝电极两端气体,在直流电的作用下,水电解生成氢气和氧气。


——固体氧化物(SOE)电解水制氢,采用固体氧化物作为电解质材料,在700-1000℃的高温下,对两侧施加直流电,阳极产生O2,阴极产生H2。 目前,目前ALK技术已实现工业化;PEM技术尚处于从研发走向工业化,商业化水平低;SOE技术正处于实验室研发阶段,各制氢技术有如下特点。

参数


2.风电制氢技术要求   从技术角度来看,因为风电具有随机性、不稳定性、波动性较大的特点,风力发电机、电解水制氢设备、风电场能量控制系统都有着较高的要求。

(1)风力发电机   风力发电机不仅需要将电能通过变流装置输送到电网,同时也要将弃风发电为电解装置供电。因此风力发电机需要很强的扛风波动能力,即高适应性。

(2)电解水制氢系统   由于风力发电系统的间歇性、随机性的特点,电解水制氢系统需要具备在不稳定电能下能够安全、可靠和高效制氢的能力,即高适应性。此外,电解水制氢技术的高效性、环保性、成本和技术成熟度也很重要。当前三种制氢技术在这些性能上表现各异。


从高适应性来看,PEM技术和风电的耦合性较好,适合风电制氢系统。SOE技术尚需要进一步研究探索其与风电制氢的适应性。


从高效性来看,目前ALK技术的制氢能力更强,但是能耗效率相对最低。PEM技术和SOE技术能耗效率相对较高,但目前PEM技术的单堆制氢能力主要为几十标方每小时,而SOE技术制氢能力最小,尚在探索阶段。


从环保性来看,ALK技术使用腐蚀性的碱液作为电解质,会对环境造成污染。PEM技术和SOC技术相对较为绿色环保。

从成本和技术成熟度的来看,ALK技术成熟、成本较低,适用大规模的风电制氢系统。


参数2

三类电解水制氢技术要求 目前,由于ALK技术与PEM技术的动态响应时间较短,动态响应能力较好,适用于风电制氢系统。相比之下,SOE技术的动态响应时间比较长,目前并不适合大规模风电制氢。再从制氢能力、成本和技术成熟度来看,目前ALK技术的总体优势大于PEM技术,因此我国当前的风电制氢主要采用ALK电解水制氢技术。 北京柏艾斯的电流传感器深耕于制氢行业多年,取得了不少客户的认可。



北京柏艾斯科技是专业的电流电压传感器厂家,掌握霍尔磁通门等多种技术原理,为众多国内外用户提供OEM和ODM服务,更多产品应用请登录公司网站了解更多,www.passiontek.com.cn.

网友热评